4

I came across this circuit diagram for CV quantum state teleportation:

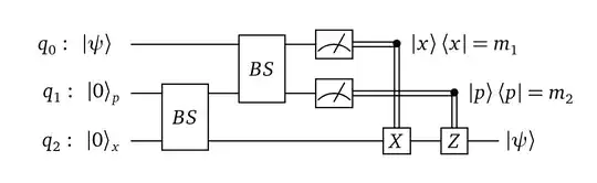
enter image description here Source: Xanadu Strawberry Fields: Docs / Quantum algorithms / State teleportation

It was accompanied by a brief description, but I still feel as though I am lacking in some intuition as to why this circuit works in teleporting the state in qumode 0 to qumode 2. What would the full procedure to teleport some coherent state across a communication channel using CV quantum computing protocols be?

For more context, the beam-splitter gates are $50/50$, and the two qumodes $q_1$ and $q_2$ have been squeezed by a factor of $-2$ and $2$ respectively (although infinite squeezing would be ideal for this circuit). The measurements are the homodyne-x and homodyne-p measurement gates respectively (as shown on the circuit). This then leads to $q_2$ being condition displaced in the $x$ and $p$ quadratures, based on the previous measurements.

The part of the circuit I'm struggling to understand is the role of the second beam-splitter.

Sanchayan Dutta
  • 18,015
  • 8
  • 50
  • 112
Jack Ceroni
  • 1,000
  • 7
  • 17

1 Answers1

2

Here's a schematic description of quantum teleportation for general systems:

  1. Alice and Bob share a maximally entangled state.
  2. To teleport $|\psi\rangle$ to Bob, Alice performs a joint measurement of $|\psi\rangle$ and her local copy of the maximally entangled state. This measurement is entangling, in the sense that the output state after the measurement can be entangled across Alice's two systems even if it was not initially so.
  3. Alice sends Bob a classical description of her measurement outcome. Bob applies a conditional gate to his state depending on the information received by Alice.
  4. Bob's local state is now $|\psi\rangle$.

In the CV version of the protocol, these steps are:

  1. A maximally entangled state is produced by interacting two infinitely-squeezed states $|0\rangle_p$ and $|0\rangle_x$ on a 50:50 beam-splitter.

  2. Interfering $|\psi\rangle$ and a local copy of the maximally entangled state in a 50:50 beam splitter creates entanglement between these systems. In combination with a homodyne measurement at the output, this is equivalent to the required entangling measurement.

  3. Alice sends her outcome to Bob, who performs conditional displacements on his system.

  4. Bob recovers $|\psi\rangle$.

If you want to go beyond schematics and understand the mathematics behind the protocol, I recommend these references:

Gaussian Quantum Information, section IV.A

Teleportation of Continuous Quantum Variables