This is a broad question that does not have an easy answer; it's a long way from electrons skittering along copper wires to rendering a website in Firefox. I will attempt to give you an overview from bottom to top and point you towards the right things to look up.
Encoding Numbers
The basic motivation is to compute things, as in doing arithmetics¹. The first thing to look at is how to represent numbers. There have been many approaches, using decimal or ternary and I think even octal systems, but in the end, binary won out. Now we know we have to build devices that deal with two values -- let's call them $0$ and $1$.
Note that there are also multiple ways to encode numbers in binary. After you build up your first processor, you realise advantages of doing things in certain ways. Popular examples are the two-complement and IEEE floats. For starters, restrict yourself to plain natural numbers.
Gates
Assume we use binary encoding. Think of how you learned adding in primary school and write down the same for binary numbers. As it turns out, the building blocks of Boolean algebra are already there for you; it is easy to build a basic adder (and other arithmetic functions) using logic gates.
How to build such gates is outside of the scope of computer science; eletrical engineering has provided multiple solution using e.g. tubes or transistors. Head over to Electrical Engineering Stack Exchange for questions on this.
Clock and State
Not all gates are equally fast and not all parts of a computation have the same number of gates. Therefore, we have to take extra care that individual operations do not overtake each other. It has proven useful to use a global clock; the result of a given network of gates is the state of the output wires at the end of the cycle (which may change wildly while the gates cascade towards their individual final states).
That means that results of one cycle may have to be stored until the next cycle starts, e.g. if you wire up loops. There are a number of basic elements you can use to varying effect, all build up from gates; some are called flip-flops. Those are also used to build registers, elements that store numbers for as many clock cycles as needed.
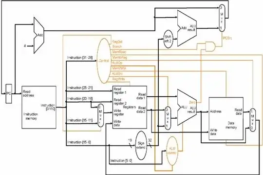
Architecture and Commands
Now you have a myriad of design choices to make. What arithmetic operations does your processor provide? What do your commands look like? It may be educational to look at the MIPS architecture whose early forms are easy compared to other designs. Have a look at the plans:

Original from http://ube.ege.edu.tr/~erciyes/CENG311
Essentially, it's fetching and and disassembling commands, a set of registers, an ALU and control. Commands encode which ALU operation to perform on which operands (by the number of the register they are held in), how to manipulate the program counter² or which register to load/store from/to memory³.
Further Considerations
By now you have a working processor in the modern sense, assuming you figured out how to build a memory and a way to feed it commands. On its way to a modern machine, many choices have to be made. Here are some:
Alternatives
The above is heavily influenced by how history turned out. In a different world with different minds, computers may work differently. In fact, there is a plenty of models of computation, some of which have advantages that make them useful as abstraction for real machines in many cases. There are also attempts to imitate the way our brains work, that is to enable neural computing, or more generally to exploit problem-solving and information-storing strategies observed in nature, most prominently DNA and quantum computing.
So maybe (hopefully?) the information above is all ancient history another 50 or 100 years from now.
- All the fancy things we do with computers today are broken down into many small arithmetic tasks which the processor executes one by one.
- If your model allows the program to manipulate control flow, this would be the memory address the processor gets the next instruction from. You can also conceive machines that only read a fixed set of instructions from, say, a tape. In fact, early implementations did that. No jumps meant no loops; a program was a completely unrolled/unfolded series of instructions depending on the data. Obviously, being able to use the same program for multiple input data is more powerful.
- Assuming you have memory; your processor works fine without but can then only deal with so many values at once. Early computers did read in all their data from tapes and kept them in registers. There was no memory, let alone writable, persistent storage as we know it today.