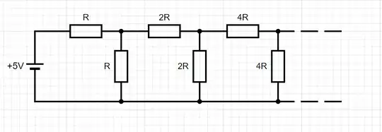
I am trying to solve for the equivalent resistance $R_{\infty}$ of an infinite resistor ladder network with geometric progression as in the image below, with the size of the resistors in each section double the size of the previous section.
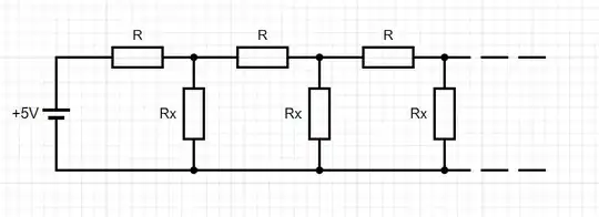
For those not familiar with the calculations for summing resistors, here is a quick recap: there are standard solutions in the literature for infinite resistor ladder networks without geometric progression such as the one below (where $R_x$ is simply $R$ multiplied by a factor of $x$).
The trick here is to replace all of the resistors to the right of the first two with a single resistor of value $R_y$ ...
... and realise that because the network is infinite, the first two resistors make no difference and so $R_{\infty} = R_y$. The problem becomes finding the combined resistance of the two resistors in parallel $R_x$ and $R_y$ which by the rules of adding resistors is $\frac{R_y R_x}{R_y +R_x}$ and simply adding them to the resistor $R$ that is in series with the rest. We then get the equation:
$$R_{\infty} = \frac{R_y R_x}{R_y +R_x} + R \rightarrow \frac{R_{\infty} R_x}{R_{\infty} +R_x} + R$$ and solve for $R_{\infty}$ using the quadratic solution. The result is:
$$R_{\infty}= \frac R 2 (1+\sqrt{4x +1}).$$
For $R=1$ and $x=1$, the result is $(1+\sqrt{5})/2$ which interestingly enough is the golden ratio.
For the original problem with the geometric progression, all the rungs are not the same and we can not use the standard trick. Doing it the hard way the first few steps of a small finite geometric ladder are:
First rung $= 2$,
First 2 rungs $= 9/5 = 1.8$,
First 3 rungs $= 41/23 \approx 1.78260$,
First 4 rungs $= 187/105 \approx 1.78095$,
First 5 rungs $= 853/479 \approx 1.78079$,
which appears to be converging rapidly toward somewhere around $1.7$. It is known by the properties of resistors that the result must be between $1<R_{\infty} <2$.
After investigating the pattern for a while, it emerges that there is a recursive relationship. If we represent the irreducible fraction for the resistance of each step as $A'/B'$ and the previous step as $A/B$, then the recursive relationship is $$\frac {A'}{B'} = \frac {4A+B}{2A+B}.$$
For example, the first step has a resistance of $2/1$. The next step has a total resistance of $\frac{4 \cdot 2 +1}{2 \cdot 2 +1} = \frac 9 5$. The result always appears to be an irreducible fraction without requiring a reduction step. This is where I get stuck. It does not seem to be possible to find the limit as $n$ goes to infinity for a recursive formula, so I was wondering how to convert the recursive formula to a closed form?
P.S. Should I remove the preamble where I recap the formulas for finding the equivalent resistance of resistor circuits? I added it because I assumed the mathematic experts here are not necessarily physics experts.
P.P.S. Just for fun I wrote this short Python code to carry out the iteration of the recursive function and compare the result to the theoretical limit (given in the answers) of $(3+\sqrt{17})/4$:
import math
def iterate_formula(n):
A, B = 2, 1
for _ in range(n):
A_prime = 4A + B
B_prime = 2A + B
A, B = A_prime, B_prime
print(f"After iteration {_+1}, A' = {A}, B' = {B}, and A'/B' = {A/B:.80f}")
Call the function with the number of iterations you want
iterate_formula(16)
x=(3+math.sqrt(17))/4
print("Compare:")
print(f"Infinite Sum = {x:.80f}")
After just 15 iterations, Python (without special import modules) can not distinguish between the iterated result and the limit at infinity.






